800kva箱變多少錢一臺?
文章來源:北京創聯匯通電氣 ????? 發布時間: 2025-11-18 15:02:24
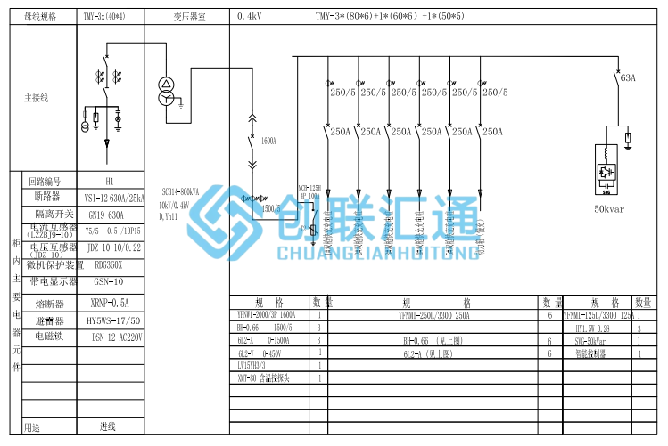
導讀:箱式變電站是一種緊湊型配電設備,800kva箱變主要包括高壓柜,變壓器,低壓柜,低壓補償裝置等,銅排鋁變11.3萬元,供大家參考,具體價格要以箱變圖紙和配置為準.

箱式變電站,簡稱箱變,是一種將高壓開關設備、配電變壓器、低壓配電裝置,按一定接線方案排成一體的緊湊型配電設備,今天給大家介紹的是800kva箱變的配置和價格,供大家參考,具體價格還是要以設計圖紙和所需配置為準。
這套800kva箱變主要包括高壓柜、變壓器、低壓柜、低壓補償裝置等,銅排鋁變11.3萬元,一進六出帶六臺充電樁:
高壓配電柜用的是環網柜(HXGN型),柜內主要電器元件有斷路器、隔離開關、電流互感器、電壓互感器、微機保護裝置、帶電顯示器、熔斷器、避雷器和電磁鎖,高壓環網柜特點是結構簡單、體積小、價格低。
變壓器用的是SCB14型干式變壓器,連接組別是DYn11。SCB14是國家二級能效標準的三相干式變壓器,采用環氧樹脂澆注技術,具有低損耗、低噪音特性。
低壓柜用的是GGD型,產品具有動熱穩定性好,結構新穎、合理、電氣方案切合實際,系列性使用性強,防護等級高等特點。
低壓補償裝置用的SVG(靜止無功發生器),無功補償通俗的講就是將低壓變壓器傳輸過來的無用功轉變為有用功。加上SVG后可以減少線路損耗50%以上,避免罰款,不額外投資實現擴容,改善電能質量、延長了電器壽命、提高了產品質量。
以上就是800kva箱變的配置和價格,大家可以參考一下,我們公司有不少箱變成功案例,留言就可以獲取同款800kva箱變配置價格表,自己帶圖紙詢價也可
上一篇:變壓器干式和油浸式價格差異在哪里? ????? 下一篇:一臺2000kva預裝式變電站價格是多少?
熱點關注
- SCB13 vs SCBH15 怎么選?一級能效干式變壓器適配場景 + 節能差距全解析
- 2026 年一級能效干式變壓器走俏!創聯匯通 SCB13/SCBH15 系列現貨供應,3 天發貨
- 油浸式變壓器換油步驟詳解-
- 油浸式變壓器瓦斯保護:多行業安全運行的“核心防護屏障”
- 干式變壓器1000kVA多少錢?按配置選更劃算
- 干式變壓器工作溫度是多少
- 1250kVA干式變壓器價格指南:廠家直述選型與成本控制要點
- 2026熱門箱式變電站選型指南 廠家直供
- 箱式變電站IEC標準詳解:破解應用痛點,選對設備不踩坑
- 11千伏箱式變電站如何解決供電痛點
- 315KVA/630KVA/800KVA油浸式變壓器過載能力及時間規定詳解
- 油浸式變壓器工作原理詳解
- 油浸式變壓器的優勢與不足——為什么它依然是電力系統的主流選擇



